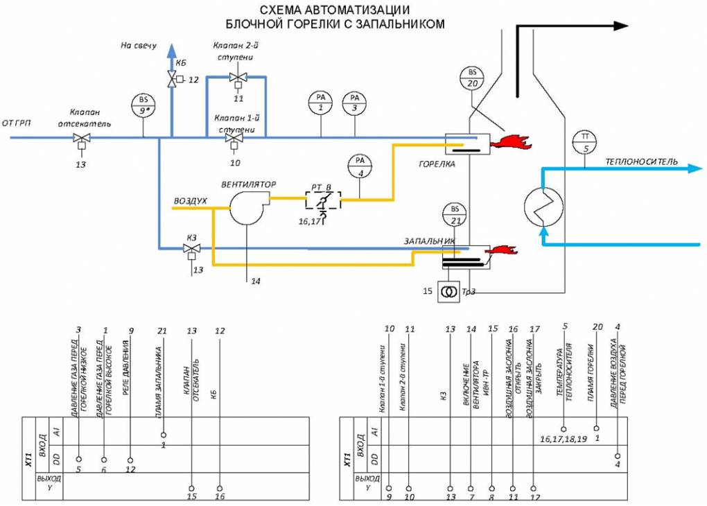
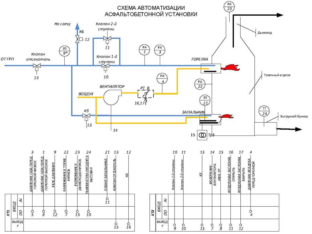
Предназначен для автоматизации работы (розжига, регулирования и защиты) водогрейных или паровых котлоагрегатов, автоматизации теплогенераторов, асфальтобетонных установок, сушилок, печей, а так же других тепловых установок, работающих на газообразном и/или жидком топливе.
Применяется:
Для замены устаревших систем автоматики типа АЛЬФА, БУК, БУРС и прочие.
Используется в качестве блока автоматики, включающего в себя модуль управления и модуль ввода/вывода.
Преимущества
- Наличие встроенного автомата контроля герметичности;
- Работа как с аналоговыми, так и с дискретными датчиками;
- Малые габариты;
- Наличие интерфейса RS-485 Modbus RTU. Позволяет работать в автоматическом режиме и в системах диспетчеризации котельной;
- Наличие часов реального времени, позволяет котлоагрегату работать по суточному и/или недельному графику, что экономит до 30% тепловой энергии;
- Современная элементная база повышает надежность и ремонтопригодность по сравнению с аналогами;
- Цена ниже в 3-5 раз по сравнению с системами с использованием ПЛК или существующими аналогами.
Функции
- автоматический пуск и останов горелки котла;
- поддержание в заданных пределах температуры горячей воды или давления пара путем регулирования мощности горелки. Трехпозиционный режим работы;
- модификация с часами реального времени, позволяющая работать по часовому, суточному и недельному расписанию температурного режима;
- дискретное регулирование подачи воздуха в соответствии с подачей топлива (большое, малое горение и режим ожидания);
- запоминание первопричины аварии и индикация причины при последующем включении на ЖКИ дисплее;
- передачу электрического сигнала «Авария» на диспетчерский пульт;
- дополнительный канал контроля пламени запальника;
- дискретный вход фотодатчика контроля пламени горелки;
- функция автоматической проверки герметичности перед каждым розжигом горелки (работа с реле давления);
- управление контрольным клапаном отсекателем и клапаном безопасности;
- встроенная информационная система позволяющая наблюдать текущий этап розжига и работы, и, в случае аварийного отключения — причину останова. Вся информация представлена на двухстрочном ЖКИ;
- возможность выбора задействованных в котле защит и включения функции автоматического контроля герметичности с помощью меню автомата горения;
- связь с верхним уровнем по интерфейсу RS-485 протокол Modbus-RTU;
- возможность подключения до трех аналоговых датчиков (4–20) мА;
- функция контроля сетевого напряжения питания. (переход в режим ожидания при падении напряжения до 160В, до тех пор пока напряжение не достигнет 187В)
Автоматическая защита котла
Обеспечивает останов котла и блокировку его пуска при возникновении следующих аварийных ситуаций:
- давление воздуха перед горелкой низкое;
- давление газа перед горелкой низкое;
- давление газа перед горелкой высокое;
- разряжение в топке низкое;
- давление воды на выходе низкое (водогрейный котел), уровень воды в барабане низкий (паровой);
- давление воды на выходе высокое (водогрейный котел), уровень воды в барабане высокий (паровой);
- температура воды высокая (водогрейный котел), давление пара высокое (паровой);
- погасание пламени горелки;
- дополнительный пользовательский параметр;
- дополнительный пользовательский параметр.
Основные технические характеристики
| Рабочее напряжение | 187-242 В / 50Гц |
|
Потребляемая мощность, не более ВА
– при розжиге |
300 |
| Максимальная нагрузка на контакты релейных выходов |
4,0A, cos Ø 1,0 2,0A, cos Ø 0,4 |
| Длина экранированного кабеля подключения ион. датчика, не более м | 20 |
| Тип подключаемого датчика температуры | Pt100 |
| Степень защиты | IP40 |
|
Температура окружающего воздуха, °С
– стандартное исполнение |
от -20 до +65 |
| Масса, не более, кг | 1,2 |
- Руководство по эксплуатации САФАР БЗК ЩД-2020
Компания "Темп-ресурс"



Работает на Сайт-Менеджере